IronheadБыло же 3 часа разницы вроде.... Уже 5.Ты уплываешь, Mr.Propper! Нееет... Держись там за что, я натягиваю костюм супермена.
Ну дык движемся к прогрессу, так сказать!
**ILYUXA$**Держись там за что, я натягиваю костюм супермена.Представил. Представил ещё раз. Стало страшно. Потом смешно. Потом всё одновременно. Итог: 23:16.
NIKOTINSubj: "Отдыхаем"...на таких штуках надо делать только одну микруху, чтобы перепаять одну , и всё
NIKOTINSubj: "Отдыхаем"Какая суровая схема.
NIKOTIN"Отдыхаем"...Какой-то кассовый аппарат
kosaна таких штуках надо делать только одну микруху
...тыщи эдак за четыре, да?**ILYUXA$**Какая суровая схема.Эта схема - ещё ягодки. Тут хоть что-то поковырять можно.

REsearchКакой-то кассовый аппаратНе какой-то, а почти мой самый любимый. "Касби-02К".
NIKOTINЭта схема - ещё ягодки. Тут хоть что-то поковырять можно.

**ILYUXA$**А деньги в кассовых аппаратах остаются?

**ILYUXA$**ждем фоцге сурового аппарата.Не хочю!
Ты смерти моей хочешь, **ILYUXA$**?
NIKOTINПредставляешь, эти жадины их вынимают перед тем, как отдать нам в ремонт!!!

NIKOTINТы смерти моей хочешь, **ILYUXA$**?II
NIKOTINНе хочю!Оппа! Видал как я ловко с цитатами обрасчаюсь.

**ILYUXA$**Видал как я ловко с цитатами обрасчаюсь."Всё, что Вы скажете, может быть использовано против Вас в суде!
"
NIKOTIN"Всё, что Вы скажете, может быть использовано против Вас в суде!II"
**ILYUXA$**Да-да, именно так.
Кошмар. 

REsearchА вот то, чем я сейчас занимаюсьЭто ведь похоже на какие-то проводники. Много проводников.
**ILYUXA$**Это ведь похоже на какие-то проводники. Много проводников.




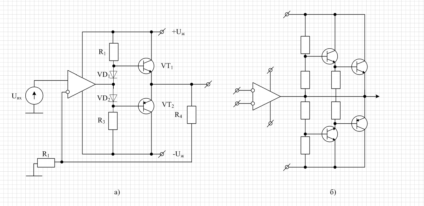
REsearchЭто упрощенные схемы усилителей мощности с усилением тока (а) и напряжения (б)Узнаю, узнаю эти операционные усилители
И у нас такое будет? 
PRIESTИ у нас такое будет?Ну а как ты думал

REsearchА вот то, чем я сейчас занимаюсьREsearch, PRIEST, завидую я вам!
NIKOTINзавидую я вам!А что это настолько интересно?
Конечно, REsearch! Лично я бы не отказался. 
А я отказываюсь. Надоело уже 

REsearchНадоело ужеЕсли это идёт в комплексе с кучей всякого, то я тебя понимаю.
NIKOTINЭто случилось всё таки. Вот эти - суровее:Спрятался под стол ©

PRIESTСпрятался под стол ©PRIEST, вылезай!
Они добрые,.. когда исправные и собранные. 

----------Subj----------
Экземпляр с первой картинки уже добрый!
Перед вторым придётся ещё потанцевать с бубном. 
NIKOTINЭто случилось всё таки. Вот эти - суровее:Там что, виндоус на них?
REsearchТам что, виндоус на них?На первом - нет, но он жить без него не может. А на втором - да
, но это не касса, а POS-система в которую помимо POS-компьютера ещё и касса входит вместе с
.
NIKOTINPRIEST, вылезай! Они добрые,.. когда исправные и собранные.А они не кусаюцца?

